日本电产尼得科(Nidec)是Ameya360旗下的代理品牌之一,它是一家“全球颇具实力的综合马达制造商”。通过不断向市场市场推出以“技术卓越”、“体积紧凑”为优势的一系列马达产品,让尼得科(日本电产)拿下所向披靡的市场竞争力。
如今,尼得科从“小工厂”到世界领先的全球企业,产品已覆盖精密小型马达至超大型电机领域马达电机及其周边设备。其产品运行效率高达85%,兼具轻薄短小、寿命长、噪音小、能耗低等明显优势。在机电领域,尼得科已积累起深厚的技术经验与客户口碑,用优秀的产品,为全球市场创造了的较大的价值。广大客户可于Ameya360商城上购买Nidec 尼得科的产品。
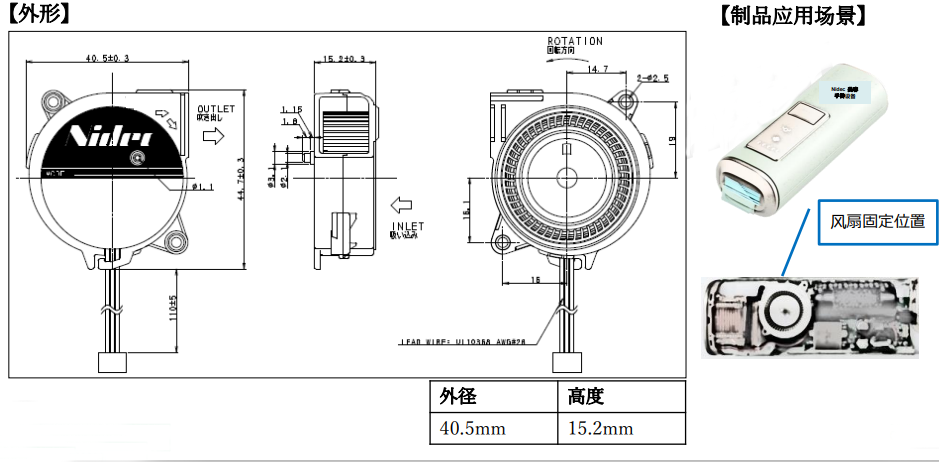
目前,针对风扇系列,尼得科提供了两款风机产品,分别是4015风机和G40R风机两个系列,它们拥有高回转、大风量和低震动、低噪音的特点。主要用途:手持脱毛机,手持需要散热的设备等。下面详细为大家介绍G40R风机外形及特征参数。
一、G40R风机外形

二、G40R特征参数

在线留言询价
| 型号 | 品牌 | 询价 |
|---|---|---|
| CDZVT2R20B | ROHM Semiconductor | |
| RB751G-40T2R | ROHM Semiconductor | |
| MC33074DR2G | onsemi | |
| TL431ACLPR | Texas Instruments | |
| BD71847AMWV-E2 | ROHM Semiconductor |
| 型号 | 品牌 | 抢购 |
|---|---|---|
| BP3621 | ROHM Semiconductor | |
| IPZ40N04S5L4R8ATMA1 | Infineon Technologies | |
| BU33JA2MNVX-CTL | ROHM Semiconductor | |
| STM32F429IGT6 | STMicroelectronics | |
| TPS63050YFFR | Texas Instruments | |
| ESR03EZPJ151 | ROHM Semiconductor |
AMEYA360公众号二维码
识别二维码,即可关注
请输入下方图片中的验证码: